sda是什么意思?
的有关信息介绍如下:SDA----数据线 SCL-----控制线。
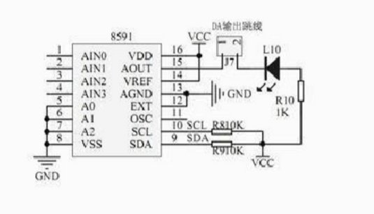
是SCL\SDA是I2C总线的信号线。
SDA是双向数据线,SCL是时钟线SCL.在I2C,总线上传送数据,首先送最高位,由主机发出启动信号。
SDA在SCL,高电平期间由高电平跳变为低电平,然后由主机发送一个字节的数据。
数据传送完毕,由主机发出停止信号,SDA在SCL高电平期间由低电平跳变为高电平。

分类:
1、定位的,如各种坐标数据;
2、定性的,如表示事物属性的数据(居民地、河流、道路等);
3、定量的,反映事物数量特征的数据,如长度、面积、体积等几何量或重量、速度等物理量;
4、定时的,反映事物时间特性的数据,如年、月、日、时、分、秒等。



